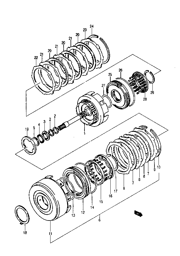
Skrzynka biegów AT - wałek sprzęgłowy
WSTECZ
START
TICO PARTS CATALOG
KONTAKT
LINKI
SERVICE MANUAL
More