top of page
Ta witryna została zaprojektowana za pomocą kreatora
.com
. Stwórz swoją witrynę już dziś.
Zacznij Teraz
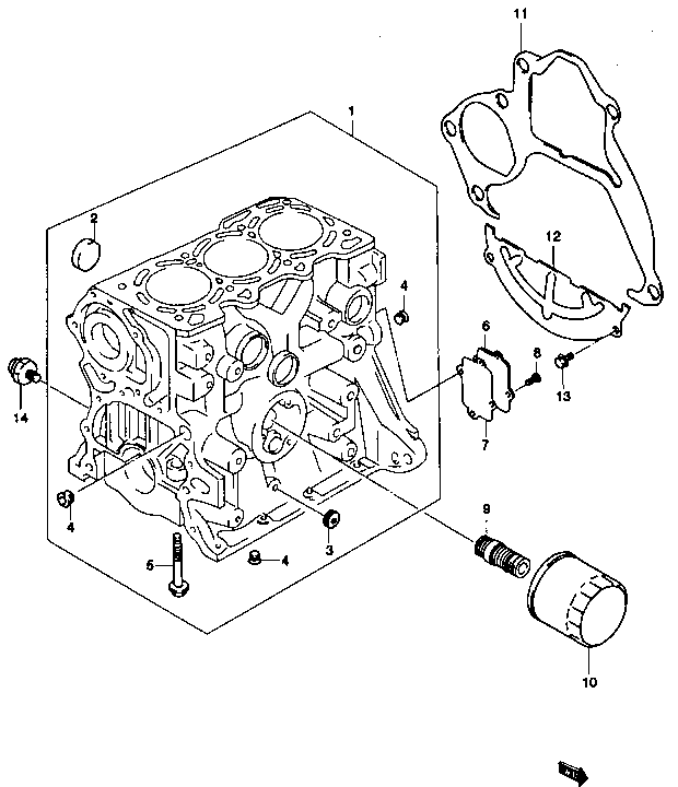
Blok silnika, zaslepki kanałów olejowych, filtr oleju
WSTECZ
Anchor 21
Anchor 12
W GÓRĘ
START
TICO PARTS CATALOG
SILNIK
SKRZYNIA BIEGÓW I SPRZĘGŁO
HAMULCE
UKŁAD KIEROWNICZY
UKŁAD ELEKTRYCZNY
KAROSERIA
ZAWIESZENIE I KOŁA
SCHEMATY ELEKTRYCZNE
KONTAKT
LINKI
SERVICE MANUAL
Table of contents
00 - General information
01 - Engine
02 - Transmission, Clutch, and Different
03 - Front drive shaft
04 - Steering, Suspension,Wheel & tyre
05 - Brake
06 - Body service
07 - Bumper, Hood, Fender
08 - Body electrical system
09 - Heating & Air conditioning system
10 - Service data
More
Use tab to navigate through the menu items.
bottom of page